Product Summary
The ST330C14C0 is a phase control thyristor. The applications of the ST330C14C0 include DC motor controls, Controlled DC power supplies, and AC controllers.
Parametrics
ST330C14C0 absolute maximum ratings: (1)IT(AV): 720A; (2)IT(AV) @ Ths: 55℃; (3)IT(RMS): 1420A; (4)IT(RMS) @ Ths: 25℃; (5)ITSM @ 50Hz: 9000A; @ 60Hz: 9420A; (6)I2t @ 50Hz: 405 KA2s; @ 60Hz: 370 KA2s; (7)VDRM/VRRM: 400 to 1600V; (8)tq typical: 100μs; (9)TJ: - 40 to 125℃.
Features
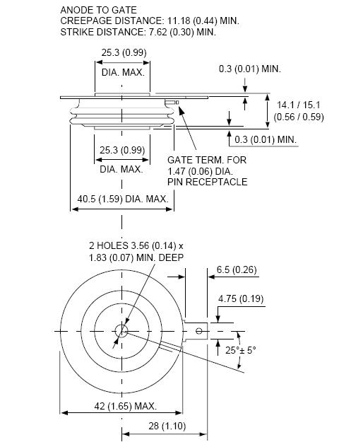
ST330C14C0 features: (1)Center amplifying gate; (2)Metal case with ceramic insulator; (3)International standard case TO-200AB (E-PUK).
Diagrams

| Image | Part No | Mfg | Description | ![]() |
Pricing (USD) |
Quantity | ||||||||||||||||||
|---|---|---|---|---|---|---|---|---|---|---|---|---|---|---|---|---|---|---|---|---|---|---|---|---|
![]() |
![]() ST330C14C0 |
![]() |
![]() SCR PHASE CONT 1400V 720A A-PUK |
![]() Data Sheet |
![]()
|
|
||||||||||||||||||
![]() |
![]() ST330C14C0L |
![]() Vishay Semiconductors |
![]() SCR Modules 720 Amp 1400 Volt 1420 Amp IT(RMS) |
![]() Data Sheet |
![]()
|
|
||||||||||||||||||
(China (Mainland))









