Product Summary
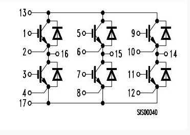
The BSM50GD120DN2 is an IGBT Power Module.
Parametrics
BSM50GD120DN2 absolute maximum ratings: (1)Collector-emitter voltage:1200V; (2)Collector-gate voltage, RGE = 20 kΩ:1200V; (3)Gate-emitter voltage:±20V; (4)DC collector current: TC = 25 ℃:72A, TC = 80 ℃:50A; (5)Pulsed collector current, tp = 1 ms: TC = 25 ℃:144A, TC = 80 ℃:100A; (6)Power dissipation per IGBT, TC = 25℃:350W; (7)Chip temperature:+150℃; (8)Storage temperature:-55℃ to +150℃.
Features
BSM50GD120DN2 features: (1)Solderable Power module; (2)3-phase full-bridge; (3)Including fast free-wheel diodes; (4)Package with insulated metal base plate.
Diagrams

| Image | Part No | Mfg | Description |  | Pricing (USD) | Quantity | ||||||||||
|---|---|---|---|---|---|---|---|---|---|---|---|---|---|---|---|---|
|  |  BSM50GD120DN2 |  Infineon Technologies |  IGBT Modules 1200V 50A FL BRIDGE |  Data Sheet |  
 |  | ||||||||||
|  |  BSM50GD120DN2E3226 |  Infineon Technologies |  IGBT Modules N-CH 1.2KV 50A |  Data Sheet |  
 |  | ||||||||||
|  |  BSM50GD120DN2G |  Infineon Technologies |  IGBT Modules 1200V 50A 3-PHASE |  Data Sheet |  
 |  | ||||||||||
 (China (Mainland))
 (China (Mainland)) 
                         
                        
 
                                    




