Product Summary
The MY2NJ-220VAC is a Versatile, Multi-featured, Miniature Power Relay for Sequence Control and Power Switching Applications.
Parametrics
MY2NJ-220VAC general specifications: (1)Contact resistance: 100 mΩ max.; (2)Operate time: 20 ms max.; (3)Release time: 20 ms max.; (4)Max. operating frequency: Mechanical: 18,000 operations/hr; Electrical: 1,800 operations/hr (under rated load); (5)Insulation resistance 1,000 MΩ min. (at 500 VDC); (6)Dielectric strength 2,000 VAC, 50/60 Hz for 1.0 min (1,000 VAC between contacts of same polarity); (7)Ambient temperature Operating: –55℃ to 70℃ (with no icing); (8)Ambient humidity Operating: 5% to 85%; (9)Weight: Approx. 35 g.
Features
MY2NJ-220VAC features: (1)Models with lockable test buttons now available; (2)Arc barrier standard on 4-pole Relays; (3)Dielectric strength: 2,000 VAC (coil to contact); (4)Environment-friendly cadmium-free contacts; (5)Safety standard approvals obtained; (6)Wide range of Sockets (PY, PYF Series) and optional parts are available.; (7)Max. Switching Current: 2-pole: 10 A, 4-pole: 5 A; (8)Provided with nameplate.
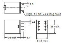
Diagrams

|  |  MY2N AC110/120 (S) |  Omron Industrial |  General Purpose / Industrial Relays SUPER MY |  Data Sheet |  Negotiable |  | ||||||||||||||||||
|  |  MY2N AC12 (S) |  Omron Industrial |  General Purpose / Industrial Relays SUPER MY |  Data Sheet |  
 |  | ||||||||||||||||||
|  |  MY2N AC200/220 (S) |  Omron Industrial |  General Purpose / Industrial Relays Super MY |  Data Sheet |  
 |  | ||||||||||||||||||
|  |  MY2N AC220/240 (S) |  |  RELAY GEN PURPOSE DPDT 5A 240V |  Data Sheet |  
 |  | ||||||||||||||||||
|  |  MY2N AC24 (S) |  Omron Industrial |  General Purpose / Industrial Relays SUPER MY |  Data Sheet |  Negotiable |  | ||||||||||||||||||
|  |  MY2N AC48/50 (S) |  Omron Industrial |  General Purpose / Industrial Relays Super MY |  Data Sheet |  
 |  | ||||||||||||||||||
 (China (Mainland))
 (China (Mainland)) 
                         
                        
 
                                    




