Product Summary
The CM75YE13-12F is an IGBT module. It has been designed for three level (neutral point clamped) topologies in applications requiring high efficiency operation and improved output waveform quality. The CM75YE13-12F also provides significant benefits in applications where low output noise using small filter components is required or where long motor leads create Standing Wave Ratio (SWR) voltage surge issues. The applications of the CM75YE13-12F are Three Level Inverter Topologies, Solar Power Inverters, High Efficiency UPS, Long Motor Lead Applications.
Parametrics
CM75YE13-12F absolute maximum ratings: (1)Junction Temperature:-40 to 150℃; (2)Storage Temperature:-40 to 125℃; (3)Mounting Torque, Main Terminals, M5 Screw (Max.):30in-lb; (4)Mounting Torque, Mounting Holes, M5 Screw (Max.):30in-lb; (5)Weight (Typical):800Grams; (6)Isolation Voltage (Main Terminal to Baseplate, AC 1 min.):2500Vrms.
Features
CM75YE13-12F features: (1)Smaller Output Voltage Steps Reducing Surge Voltage; (2)Low Output Ripple Current; (3)Lower Modulation Frequency With Same Quality Output Waveform.
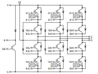
Diagrams

|  |  CM7560-104 |  API Delevan |  Common Mode Inductors (Chokes) 100uH 25% .013ohm |  Data Sheet |  
 |  | ||||||||||||
|  |  CM7560-105 |  API Delevan |  Common Mode Inductors (Chokes) 1mH 25% 2.8A |  Data Sheet |  
 |  | ||||||||||||
|  |  CM7560-106 |  API Delevan |  Common Mode Inductors (Chokes) 10000uH 25% .8ohm |  Data Sheet |  
 |  | ||||||||||||
|  |  CM7560-107 |  API Delevan |  Common Mode Inductors (Chokes) 100000uH 25% 6.4ohm Choke ThruHole Commn |  Data Sheet |  
 |  | ||||||||||||
|  |  CM7560-124 |  API Delevan |  Common Mode Inductors (Chokes) 120uH 25% .015ohm |  Data Sheet |  
 |  | ||||||||||||
|  |  CM7560-125 |  API Delevan |  Common Mode Inductors (Chokes) 1200uH 25% .095ohm |  Data Sheet |  
 |  | ||||||||||||
 (China (Mainland))
 (China (Mainland)) 
                         
                        
 
                                    




