Product Summary
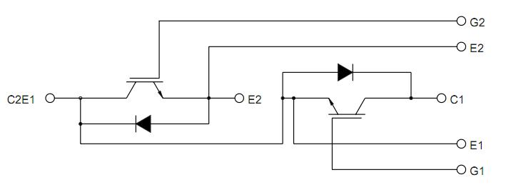
The CM150DY-24H is an IGBT Module designed for use in switching applications. The CM150DY-24H consists of two IGBTs in a half-bridge configuration with each transistor having a reverse-connected super-fast recovery free-wheel diode. All components and interconnects are isolated from the heat sinking base-plate, offering simplified system assembly and thermal management. The applications of the CM150DY-24H are AC Motor Control, Motion/Servo Control, UPS and Welding Power Supplies.
Parametrics
CM150DY-24H absolute maximum ratigns: (1)Junction Temperature Tj:–40 to 150℃; (2)Storage Temperature Tstg: –40 to 125℃; (3)Collector-Emitter Voltage (G-E SHORT) VCES: 1200 Volts; (4)Gate-Emitter Voltage (C-E SHORT) VGES: ±20 Volts; (5)Collector Current (TC = 25℃) IC: 150 Amperes; (6)Peak Collector Current ICM: 300 Amperes; (7)Emitter Current (TC = 25℃) IE: 150 Amperes; (8)Peak Emitter Curren, IEM: 300 Amperes; (9)Maximum Collector Dissipation Pc: 1100 Watts; (10)Mounting Torque, M5 Main Terminal: – 1.47 ~ 1.96 Nm; (11)Mounting Torque, M6 Mounting :– 1.96 ~ 2.94 Nm; (12)Weight: – 270 Grams; (13)Isolation Voltage (Main Terminal to Baseplate, AC 1 min.) Viso: 2500 Vrms.
Features
CM150DY-24H features: (1)Low Drive Power; (2)Low VCE(sat); (3)Discrete Super-Fast Recovery Free-Wheel Diode; (4)High Frequency Operation; (5)Isolated Baseplate for Easy Heat Sinking.
Diagrams

| Image | Part No | Mfg | Description | ![]() |
Pricing (USD) |
Quantity | ||||
|---|---|---|---|---|---|---|---|---|---|---|
![]() |
![]() CM150DY-24H |
![]() |
![]() IGBT MOD DUAL 1200V 150A H SER |
![]() Data Sheet |
![]() Negotiable |
|
||||
| Image | Part No | Mfg | Description | ![]() |
Pricing (USD) |
Quantity | ||||
![]() |
![]() CM15 |
![]() Other |
![]() |
![]() Data Sheet |
![]() Negotiable |
|
||||
![]() |
![]() CM1500 |
![]() Other |
![]() |
![]() Data Sheet |
![]() Negotiable |
|
||||
![]() |
![]() CM15001W |
![]() Other |
![]() |
![]() Data Sheet |
![]() Negotiable |
|
||||
![]() |
![]() CM15002W |
![]() Other |
![]() |
![]() Data Sheet |
![]() Negotiable |
|
||||
![]() |
![]() CM15003W |
![]() Other |
![]() |
![]() Data Sheet |
![]() Negotiable |
|
||||
![]() |
![]() CM15004W |
![]() Other |
![]() |
![]() Data Sheet |
![]() Negotiable |
|
||||
(China (Mainland))










