Product Summary
The SKM100GB128D is a SPT IGBT module.
Parametrics
SKM100GB128D absolute maximum ratings: (1)VCES, Tj=25℃: 1200V; (2)Ic, Tj=150℃: 145A; (3)ICRM, ICRM=2XIcnom: 150A; (4)VGS: ±20V; (5)tpsc, VCC=600V; VGE≤20V; Tj=125℃: 10μs.
Features
SKM100GB128D features: (1)SPT=Soft punch through techology; (2)VCEsat with positive temperature coefficient; (3)High short circuit capability, self limiting to 6xIc.
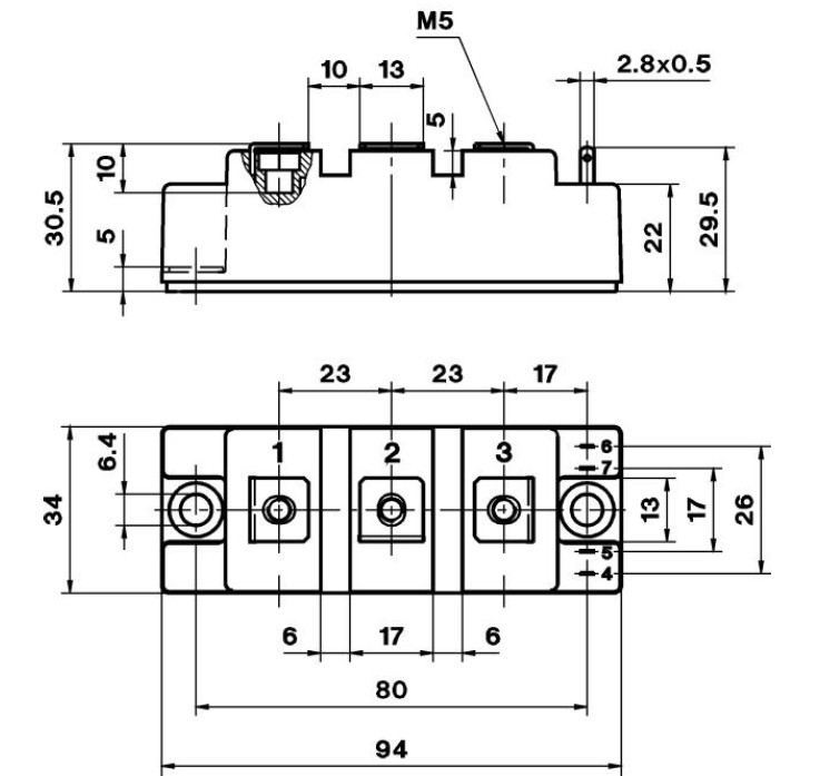
Diagrams

|  |  SKM100GAL123D |  Other |  |  Data Sheet |  Negotiable |  | ||||
|  |  SKM100GB124D |  Other |  |  Data Sheet |  Negotiable |  | ||||
|  |  SKM100GB125DN |  Other |  |  Data Sheet |  Negotiable |  | ||||
|  |  SKM100GB173D |  Other |  |  Data Sheet |  Negotiable |  | ||||
|  |  SKM111AR |  Other |  |  Data Sheet |  Negotiable |  | ||||
|  |  SKM121AR |  Other |  |  Data Sheet |  Negotiable |  | ||||
 (China (Mainland))
 (China (Mainland)) 
                         
                        
 
                                    




