Product Summary
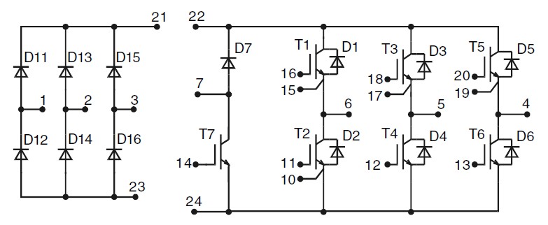
The MUBW10-12A7 is a Converter - Brake - Inverter Module. The applications of it include: Input from single or three phase grid, Three phase synchronous or asynchronous motor, electric braking operation.
Parametrics
MUBW10-12A7 absolute maximum ratings: (1)TVJ: -40 to +125 ℃; (2)TJM: 150 ℃; (3)Tstg: -40 to +125 ℃; (4)VISOL: 2500 V; (5)Md: 2.7 to 3.3 Nm.
Features
MUBW10-12A7 features: (1)High level of integration - only one power semiconductor module required for the whole drive; (2)Fast rectifier diodes for enhanced EMC behaviour; (3)NPT IGBT technology with low saturation voltage, low switching; (4)losses, high RBSOA and short circuit ruggedness; (5)Epitaxial free wheeling diodes with Hiperfast and soft reverse recovery; (6)Industry standard package with insulated copper base plate and soldering pins for PCB mounting; (7)Temperature sense included.
Diagrams

| Image | Part No | Mfg | Description | ![]() |
Pricing (USD) |
Quantity | ||||||
|---|---|---|---|---|---|---|---|---|---|---|---|---|
![]() |
![]() MUBW10-12A7 |
![]() Ixys |
![]() Discrete Semiconductor Modules 10 Amps 1200V |
![]() Data Sheet |
![]() Negotiable |
|
||||||
| Image | Part No | Mfg | Description | ![]() |
Pricing (USD) |
Quantity | ||||||
![]() |
![]() MUBW100-06A8 |
![]() Ixys |
![]() Discrete Semiconductor Modules 100 Amps 600V |
![]() Data Sheet |
![]() Negotiable |
|
||||||
![]() |
![]() MUBW10-06A6 |
![]() |
![]() MODULE IGBT CBI E1 |
![]() Data Sheet |
![]()
|
|
||||||
![]() |
![]() MUBW10-06A6K |
![]() Ixys |
![]() Discrete Semiconductor Modules NPT IGBT 600V, 10A |
![]() Data Sheet |
![]() Negotiable |
|
||||||
![]() |
![]() MUBW10-06A7 |
![]() Ixys |
![]() Discrete Semiconductor Modules 10 Amps 600V |
![]() Data Sheet |
![]() Negotiable |
|
||||||
![]() |
![]() MUBW10-12 |
![]() Other |
![]() |
![]() Data Sheet |
![]() Negotiable |
|
||||||
![]() |
![]() MUBW10-12A6 |
![]() Other |
![]() |
![]() Data Sheet |
![]() Negotiable |
|
||||||
(China (Mainland))










