Product Summary
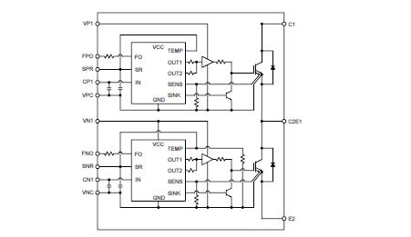
The PM300DSA120 is an isolated base module designed for power switching applications operating at frequencies to 20kHz. Built-in control circuit provide optimum gate drive and protection for the IGBT and free-wheel diode power device. The applications of the PM300DSA120 include inverters, UPS, motion/servo control and power supplies.
Parametrics
PM300DSA120 absolute maximum ratings: (1)Power device junction temperature,Tj: -20 to 150 ℃; (2)Storage temperature,Tstg: -40 to 125 ℃; (3)Case operating temperature, TC: -20 to 100 ℃; (4)Mounting torque, M6 mounting screws: 3.92~5.88 N · m; (5)Mounting torque, M8 main terminal screws: 8.83~10.8 N · m; (6)Module weight (typical): 910 Grams; (7)Supply voltage protected by OC and SC (VD = 13.5 - 16.5V, inverter part), VCC(prot.): 800 Volts; (8)Isolation voltage (main terminal to baseplate, AC 1 min.), Viso: 2500 Vrms.
Features
PM300DSA120 features: (1)Complete output power circuit; (2)Gate drive circuit; (3)Protection logic: short circuit, over current, over temperature, under voltage.
Diagrams

| Image | Part No | Mfg | Description |  | Pricing (USD) | Quantity | ||||||
|---|---|---|---|---|---|---|---|---|---|---|---|---|
|  |  PM300DSA120 |  |  MOD IPM DUAL 1200V 300A |  Data Sheet |  Negotiable |  | ||||||
| Image | Part No | Mfg | Description |  | Pricing (USD) | Quantity | ||||||
|  |  PM300 |  Other |  |  Data Sheet |  Negotiable |  | ||||||
|  |  PM300CBS060 |  Other |  |  Data Sheet |  Negotiable |  | ||||||
|  |  PM300CE |  Other |  |  Data Sheet |  Negotiable |  | ||||||
|  |  PM300CL1A060 |  Other |  |  Data Sheet |  Negotiable |  | ||||||
|  |  PM300CLA060 |  |  MOD IPM L-SER 6PAC 600V 300A |  Data Sheet |  
 |  | ||||||
|  |  PM300CLA120 |  |  MOD IPM L-SER 6PAC 1200V 300A |  Data Sheet |  
 |  | ||||||
 (China (Mainland))
 (China (Mainland)) 
                         
                        
 
                                    




