Product Summary
                                                  	The FF300R12KE3 is an IGBT-Module. 
                                                  
Parametrics
FF300R12KE3 maximum rated values: (1)collector-emitter voltage VCES: 1200 V; (2)IC,nom.: 300 A; (3)DC-collector current IC: 440 A; (4)repetitive peak collector current ICRM: 600 A; (5)total power dissipation Ptot: 1450 W; (6)gate-emitter peak voltage VGES: +/- 20 V.
Features
FF300R12KE3 characteristic values: (1)VCE sat: 1.70 to 2.15 V; (2)collector-emitter saturation voltage: 2.00 V; (3)gate threshold voltage: 5.0 to 6,5 V; (4)input capacitance Cies: 21.0 nF; (5)collector-emitter cut-off current ICES: 5.0 mA; (7)gate-emitter leakage current IGES: 400 nA.
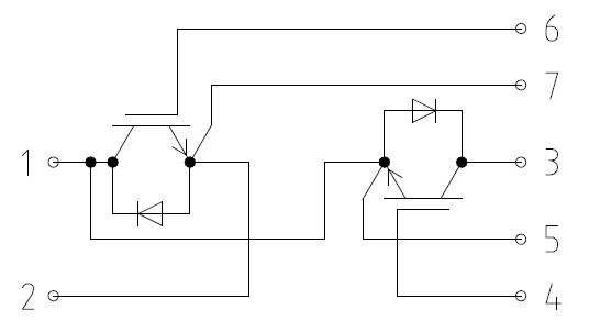
Diagrams

| Image | Part No | Mfg | Description |  | Pricing (USD) | Quantity | ||||||||||
|---|---|---|---|---|---|---|---|---|---|---|---|---|---|---|---|---|
|  |  FF300R12KE3 |  Infineon Technologies |  IGBT Transistors 1200V 300A DUAL |  Data Sheet |  
 |  | ||||||||||
|  |  FF300R12KE3_B2 |  Infineon Technologies |  IGBT Modules N-CH 1.2KV 480A |  Data Sheet |  
 |  | ||||||||||
 (China (Mainland))
 (China (Mainland)) 
                         
                        
 
                                    




