Product Summary
The MC7809BTG is a 1.0 A Positive Voltage Regulator. It is designed as fixed-voltage regulators for a wide variety of applications including local, on-card regulation. The MC7809BTG employs internal current limiting, thermal shutdown, and safe-area compensation. With adequate heatsinking they can deliver output currents in excess of 1.0 A. Although designed primarily as a fixed voltage regulator, the MC7809BTG can be used with external components to obtain adjustable voltages and currents.
Parametrics
MC7809BTG absolute maximum ratings: (1)Input Voltage VI: 35 Vdc; (2)Power Dissipation PD: Internally Limited W; (3)Thermal Resistance, Junction-to-Ambient RθJA 92 ℃/W; (4)Thermal Resistance, Junction-to-Case RθJC: 5.0 ℃/W; (5)Storage Junction Temperature Range Tstg: -65 to +150 ℃; (6)Operating Junction Temperature TJ: +150 ℃.
Features
MC7809BTG features: (1)Output Current in Excess of 1.0 A; (2)No External Components Required; (3)Internal Thermal Overload Protection; (4)Internal Short Circuit Current Limiting; (5)Output Transistor Safe-Area Compensation; (6)Output Voltage Offered in 2% and 4% Tolerance; (7)Available in Surface Mount D2PAK-3, DPAK-3 and Standard 3-Lead Transistor Packages; (8)NCV Prefix for Automotive and Other Applications Requiring Site and Control Changes; (9)Pb-Free Packages are Available.
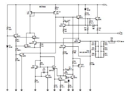
Diagrams

| Image | Part No | Mfg | Description |  | Pricing (USD) | Quantity | ||||||||||||||
|---|---|---|---|---|---|---|---|---|---|---|---|---|---|---|---|---|---|---|---|---|
|  |  MC7809BTG |  ON Semiconductor |  Linear Regulators - Standard 9V 1A Postive |  Data Sheet |  
 |  | ||||||||||||||
| Image | Part No | Mfg | Description |  | Pricing (USD) | Quantity | ||||||||||||||
|  |  MC7800 |  Other |  |  Data Sheet |  Negotiable |  | ||||||||||||||
|  |  MC7800A |  Other |  |  Data Sheet |  Negotiable |  | ||||||||||||||
|  |  MC7805ABD2TR4G |  ON Semiconductor |  Linear Regulators - Standard 5V 1A Postive |  Data Sheet |  
 |  | ||||||||||||||
|  |  MC7805ABD2TG |  ON Semiconductor |  Linear Regulators - Standard 5V 1A Postive |  Data Sheet |  
 |  | ||||||||||||||
|  |  MC7805ABD2TR4 |  ON Semiconductor |  Linear Regulators - Standard 5V 1A Postive |  Data Sheet |  Negotiable |  | ||||||||||||||
|  |  MC7805ABD2T |  ON Semiconductor |  Linear Regulators - Standard 5V 1A Postive |  Data Sheet |  Negotiable |  | ||||||||||||||
 (China (Mainland))
 (China (Mainland)) 
                         
                        
 
                                    




