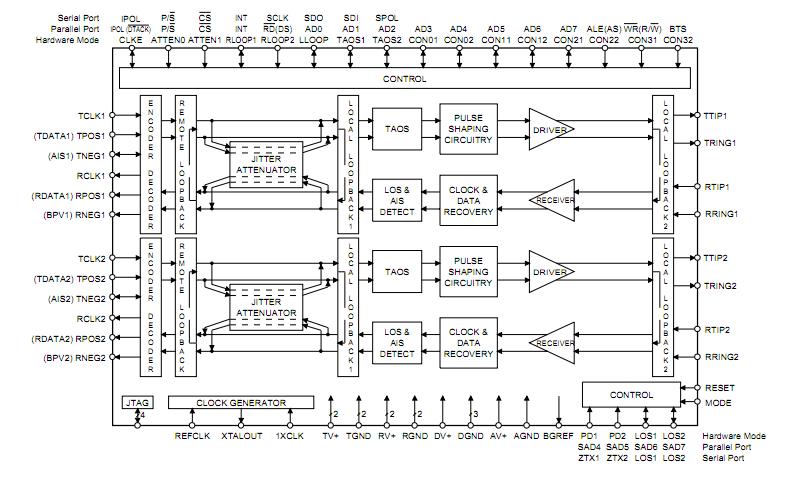
Product Summary
The CS61584AIQ3 is a dual line interface for T1/E1 applications, designed for high-volume cards where low power and high density are required. The CS61584AIQ3 is optimized for flexible microprocessor control through a serial or parallel Host mode interface. Hardware mode operation is also available.
Parametrics
CS61584AIQ3 absolute maximum ratings: (1)DC Supply (TV+1, TV+2, RV+1, RV+2, AV+, DV+): - 6.0 V; (2)Input Voltage (Any Pin), Vin: RGND - 0.3 to (RV+) + 0.3 V; (3)Input Current (Any Pin), Iin: -10 to 10 mA; (4)Ambient Operating Temperature, TA: -40 to 85℃; (5)Storage Temperature, Tstg: -65 to 150℃.
Features
CS61584AIQ3 features: (1)Dual T1/E1 Line Interface; (2)3.3 Volt and 5 Volt Versions; (3)Crystal-less Jitter Attenuator Meets European CTR 12 and ETSI ETS 300 011 Specifications; (4)Matched Impedance Transmit Drivers; (5)Transmitter Tri-state Capability; (6)Common Transmit and ReceiveTransformers for all Modes; (7)Serial and Parallel Host Mode Operation; (8)User-customizable Pulse Shapes; (9)Supports JTAG Boundary Scan; (10)Compliant with: ITU-T Recommendations: G.703, G.704, G.706, G.732, G.775 and I.431; American National Standards (ANSI): T1.102, T1.105, T1.403, T1.408, and T1.231; FCC Rules and Regulations: Part 68 and Part 15; AT&T Publication 62411; ETSI ETS 300 011, 300 233, CTR 12, TBR 13; (11)TR-NET-00499.
Diagrams

![]() |
![]() CS61535A-IL1Z |
![]() Cirrus Logic |
![]() Network Controller & Processor ICs IC T1/E1 Ln Intrfc Unit F/PCM apps |
![]() Data Sheet |
![]()
|
|
||||||||||||
![]() |
![]() CS61535A-IL1ZR |
![]() Cirrus Logic |
![]() Network Controller & Processor ICs IC T1/E1 Ln Intrfc Unit F/PCM apps |
![]() Data Sheet |
![]()
|
|
||||||||||||
![]() |
![]() CS61583-IQ5Z |
![]() Cirrus Logic |
![]() Network Controller & Processor ICs IC Dual T1/E1 Line Intrfc framr-ls apps |
![]() Data Sheet |
![]()
|
|
||||||||||||
![]() |
![]() CS61575-IL1Z |
![]() Cirrus Logic |
![]() Network Controller & Processor ICs IC T1/E1 Ln Intrfc Unit for Stratum |
![]() Data Sheet |
![]()
|
|
||||||||||||
![]() |
![]() CS61577-IL1ZR |
![]() Cirrus Logic |
![]() Network Controller & Processor ICs IC T1/E1 Low PWR Line Interface Unit |
![]() Data Sheet |
![]() Negotiable |
|
||||||||||||
![]() |
![]() CS61581-ILZ |
![]() Cirrus Logic |
![]() Network Controller & Processor ICs IC Universal Line Interface Unit |
![]() Data Sheet |
![]() Negotiable |
|
||||||||||||
(China (Mainland))








