Product Summary
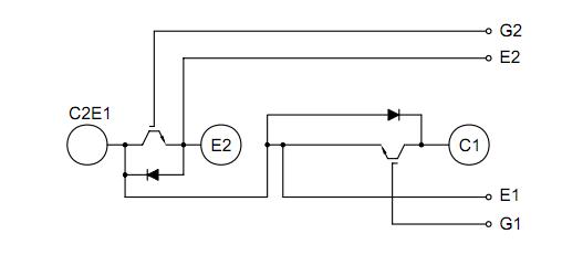
The CM400DU-24H is an IGBTMOD Module designed for use in switching applications. The CM400DU-24H consists of two IGBT Transistors in a half-bridge configuration with each transistor having a reverse-connected super-fast recovery free-wheel diode. All components and interconnects are isolated from the heat sinking baseplate, offering simplified system assembly and thermal management. The applications of the CM400DU-24H are AC Motor Control, Motion/Servo Control, UPS. Welding Power Supplies and Laser Power Supplies.
Parametrics
CM400DU-24H absolute maximum ratings: (1)Junction Temperature Tj: -40 to 150℃; (2)Storage Temperature Tstg: -40 to 125℃; (3)Collector-Emitter Voltage (G-E SHORT) VCES: 1200 Volts; (4)Gate-Emitter Voltage (C-E SHORT) VGES :±20 Volts; (5)Collector Current (Tc = 25℃) IC: 400 Amperes; (6)Peak Collector Current ICM: 800 Amperes; (7)Emitter Current (Tc = 25℃) IE: 400 Amperes; (8)Peak Emitter Current IEM: 800 Amperes; (9)Maximum Collector Dissipation (Tc = 25℃, Tj≤ 150℃) Pc: 2100 Watts; (10)Mounting Torque, M8 Main Terminal: – 95 in-lb; (11)Mounting Torque, M6 Mounting: – 40 in-lb; (12)G(E) Terminal, M4: – 15 in-lb; (13)Weight: 310 Grams; (14)Isolation Voltage (Main Terminal to Baseplate, AC 1 min.) Viso: 2500 Volts.
Features
CM400DU-24H features: (1)Low Drive Power; (2)Low VCE(sat); (3)Discrete Super-Fast Recovery Free-Wheel Diode; (4)Isolated Baseplate for Easy Heat Sinking.
Diagrams

| Image | Part No | Mfg | Description | ![]() |
Pricing (USD) |
Quantity | ||||||||||||||||
|---|---|---|---|---|---|---|---|---|---|---|---|---|---|---|---|---|---|---|---|---|---|---|
![]() |
![]() CM400DU-24H |
![]() |
![]() IGBT MOD DUAL 1200V 400A U SER |
![]() Data Sheet |
![]()
|
|
||||||||||||||||
| Image | Part No | Mfg | Description | ![]() |
Pricing (USD) |
Quantity | ||||||||||||||||
![]() |
![]() CM400DU-12F |
![]() |
![]() IGBT MOD DUAL 600V 400A F SER |
![]() Data Sheet |
![]()
|
|
||||||||||||||||
![]() |
![]() CM400DU-12H |
![]() |
![]() IGBT MOD DUAL 600V 400A U SER |
![]() Data Sheet |
![]()
|
|
||||||||||||||||
![]() |
![]() CM400DU-12NFH |
![]() |
![]() IGBT MOD DUAL 600V 400A NFH SER |
![]() Data Sheet |
![]()
|
|
||||||||||||||||
![]() |
![]() CM400DU-24F |
![]() |
![]() IGBT MOD DUAL 1200V 400A F SER |
![]() Data Sheet |
![]()
|
|
||||||||||||||||
![]() |
![]() CM400DU-24H |
![]() |
![]() IGBT MOD DUAL 1200V 400A U SER |
![]() Data Sheet |
![]()
|
|
||||||||||||||||
![]() |
![]() CM400DU-24NFH |
![]() |
![]() IGBT MOD DUAL 1200V 400A NFH SER |
![]() Data Sheet |
![]()
|
|
||||||||||||||||
(China (Mainland))









