Product Summary
The CM400DU-12F is a Mitsubishi IGBT module. It is used in general purpose inverters & Servo controls, etc.
Parametrics
CM400DU-12F absolute maximum ratings: (1)Collector-emitter voltage: 600 V; (2)Gate-emitter voltage: ±20V; (3)Collector current: 400A; (4)Emitter current: 400A; (5)Maximum collector dissipation: 960W; (6)Junction temperature: -40 to +150℃; (7)Storage temperature: -40 to +125℃; (8)Isolation voltage: 2500V.
Features
CM400DU-12F features: (1)IC: 400A; (2)VCES: 600V; (3)Insulated Type; (4)2-elements in a pack.
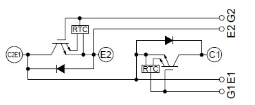
Diagrams

| Image | Part No | Mfg | Description |  | Pricing (USD) | Quantity | ||||||||||||||||
|---|---|---|---|---|---|---|---|---|---|---|---|---|---|---|---|---|---|---|---|---|---|---|
|  |  CM400DU-12F |  |  IGBT MOD DUAL 600V 400A F SER |  Data Sheet |  
 |  | ||||||||||||||||
| Image | Part No | Mfg | Description |  | Pricing (USD) | Quantity | ||||||||||||||||
|  |  CM400DU-12F |  |  IGBT MOD DUAL 600V 400A F SER |  Data Sheet |  
 |  | ||||||||||||||||
|  |  CM400DU-12H |  |  IGBT MOD DUAL 600V 400A U SER |  Data Sheet |  
 |  | ||||||||||||||||
|  |  CM400DU-12NFH |  |  IGBT MOD DUAL 600V 400A NFH SER |  Data Sheet |  
 |  | ||||||||||||||||
|  |  CM400DU-24F |  |  IGBT MOD DUAL 1200V 400A F SER |  Data Sheet |  
 |  | ||||||||||||||||
|  |  CM400DU-24H |  |  IGBT MOD DUAL 1200V 400A U SER |  Data Sheet |  
 |  | ||||||||||||||||
|  |  CM400DU-24NFH |  |  IGBT MOD DUAL 1200V 400A NFH SER |  Data Sheet |  
 |  | ||||||||||||||||
 (China (Mainland))
 (China (Mainland)) 
                         
                        
 
                                    




