Product Summary
The 7MBP50JA120 is an IGBT-IPM.
Parametrics
7MBP50JA120 absolute maximum ratings: (1)VCES: 1200V; (2)IC: 50A; (3)PC: 240W; (4)VCES: 240W; (5)VCES: 1200V; (6)IC: 15A; (7)PC: 80W.
Features
7MBP50JA120 features: (1) Low loss and soft switching by using the third generation IGBT chips; (2) Realization of high reliability, pursing higher performance of the IGBT by means of the protection by directly detecting the IGBT chips temparature; (3) Realization of high reliability and high cost performance by means of integrating all control circuits into the IC chips.
Diagrams

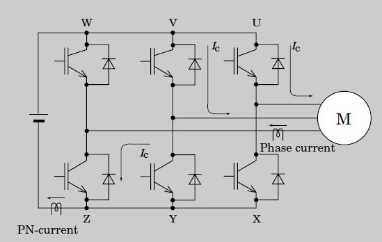
![]() |
![]() 7MBP100RA060 |
![]() Other |
![]() |
![]() Data Sheet |
![]() Negotiable |
|
||||
![]() |
![]() 7MBP100RTB060 |
![]() Other |
![]() |
![]() Data Sheet |
![]() Negotiable |
|
||||
![]() |
![]() 7MBP100TEA060 |
![]() Other |
![]() |
![]() Data Sheet |
![]() Negotiable |
|
||||
![]() |
![]() 7MBP150RA060 |
![]() Other |
![]() |
![]() Data Sheet |
![]() Negotiable |
|
||||
![]() |
![]() 7MBP150RTB060 |
![]() Other |
![]() |
![]() Data Sheet |
![]() Negotiable |
|
||||
![]() |
![]() 7MBP25RA120 |
![]() Other |
![]() |
![]() Data Sheet |
![]() Negotiable |
|
||||
(China (Mainland))








