Product Summary
The 2DI100M-120 is a power transistor module. Applications of the 2DI100M-120 are high power switching, a.c motor controls, DC motor controls, uninterruptible power supply.
Parametrics
2DI100M-120 absolute maximum ratings: (1)VCBO Collector – Base Voltage: 100V; (2)VCEO Collector – Emitter Voltage: 80V; (3)VEBO Emitter – Base Voltage: 6V; (4)IC Continuous Collector Current: 1.0A; (5)IB Base Current: 0.5A; (6)PD Total Power Dissipation at TA = 25°C: 1.0W; (7)Derate Above 25°C: 5.7mW/°C; (8)PD Total Power Dissipation at TC = 25°C: 6W; (9)Derate Above 25°C: 34mW/°C; (10)TJ Junction Temperature Range: -65 to +200°C; (11)Tstg Storage Temperature Range: -65 to +200°C.
Features
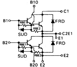
2DI100M-120 features: (1)Including Free Wheeling Diode; (2)High DC Current Gain; (3)Insulated Type.
Diagrams

![]() |
![]() 2DI150M-120 |
![]() Other |
![]() |
![]() Data Sheet |
![]() Negotiable |
|
||||
(China (Mainland))








