Product Summary
The PM150CSA060 Mitsubishi Intelligent Power Module is an isolated base module designed for power switching applications operating at frequencies to 20kHz. Built-in control circuits provide optimum gate drive and protection for the IGBT and free-wheel diode power devices. The applications of the PM150CSA060 include Inverters, UPS, Motion/Servo Control, Power Supplies and so on.
Parametrics
PM150CSA060 absolute maximum ratings: (1)Power Device Junction Temperature, Tj: -20 to 150 ℃; (2)Storage Temperature, Tstg: -40 to 125 ℃; (3)Case Operating Temperature, TC: -20 to 100 ℃; (4)Mounting Torque, M5 Mounting Screws: 1.47 ~ 1.96 N · m; (5)Mounting Torque, M5 Main Terminal Screws: 1.47 ~ 1.96 N · m; (6)Module Weight (Typical): 550 Grams; (7)Supply Voltage Protected by OC and SC (VD = 13.5 - 16.5V, Inverter Part, Tj = 125℃), VCC(prot.): 400 Volts; (8)Isolation Voltage (Main Terminal to Baseplate, AC 1 min.), Viso: 2500 Vrms.
Features
PM150CSA060 features: (1)Complete Output Power Circuit; (2)Gate Drive Circuit; (3)Protection Logic: Short Circuit; Over Current; Over Temperature; Under Voltage.
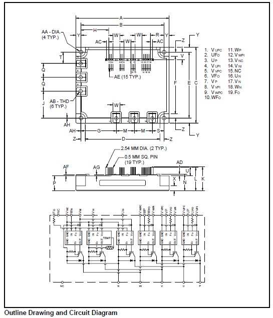
Diagrams

| Image | Part No | Mfg | Description | ![]()  | 
                            Pricing (USD)  | 
                            Quantity | ||||||
|---|---|---|---|---|---|---|---|---|---|---|---|---|
![]()  | 
                            ![]() PM150CSA060  | 
                            ![]()  | 
                            ![]() MOD IPM 6PAC 600V 150A  | 
                            ![]() Data Sheet  | 
                            ![]() Negotiable  | 
                            
                            	 | 
                      ||||||
| Image | Part No | Mfg | Description | ![]()  | 
                            Pricing (USD)  | 
                            Quantity | ||||||
![]()  | 
                            ![]() PM150CBS060  | 
                            ![]() Other  | 
                            ![]()  | 
                            ![]() Data Sheet  | 
                            ![]() Negotiable  | 
                            
                            	 | 
                      ||||||
![]()  | 
                            ![]() PM150CL1A060  | 
                            ![]() Other  | 
                            ![]()  | 
                            ![]() Data Sheet  | 
                            ![]() Negotiable  | 
                            
                            	 | 
                      ||||||
![]()  | 
                            ![]() PM150CL1A120  | 
                            ![]() Other  | 
                            ![]()  | 
                            ![]() Data Sheet  | 
                            ![]() Negotiable  | 
                            
                            	 | 
                      ||||||
![]()  | 
                            ![]() PM150CL1B060  | 
                            ![]() Other  | 
                            ![]()  | 
                            ![]() Data Sheet  | 
                            ![]() Negotiable  | 
                            
                            	 | 
                      ||||||
![]()  | 
                            ![]() PM150CLA060  | 
                            ![]()  | 
                            ![]() MOD IPM L-SER 6PAC 600V 150A  | 
                            ![]() Data Sheet  | 
                            ![]() 
  | 
                            
                            	 | 
                      ||||||
![]()  | 
                            ![]() PM150CLA120  | 
                            ![]()  | 
                            ![]() MOD IPM L-SER 6PAC 1200V 150A  | 
                            ![]() Data Sheet  | 
                            ![]() 
  | 
                            
                            	 | 
                      ||||||
 (China (Mainland)) 
                         
                        
                                    







