Product Summary
The MIG50Q7CSA0X is an intelligent power module. It is suitable for high power switching applications and motor control applicaitons.
Parametrics
MIG50Q7CSA0X absolute maximum ratings: (1)supply voltage, VCC: 900V; (2)collector-emitter voltage, VCES: 1200V; (3)collector current, IC: 50A; (4)forward current, IF: 50A; (5)collector power dissipation, PC: 350W; (6)junction temeprature, Tj: 150℃.
Features
MIG50Q7CSA0X features: (1)integrates inverter, brake power circuits and control circuits in one package; (2)the electrodes are isolated from case; (3)VCE(sat)=2.2V typ.
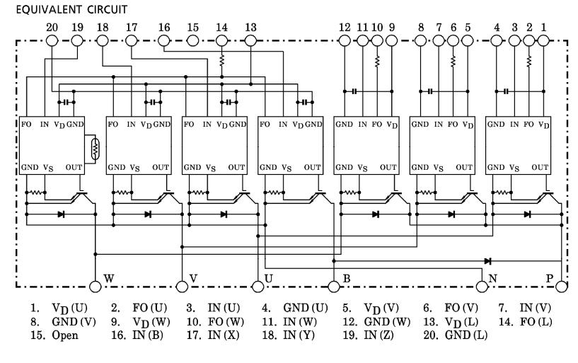
Diagrams

| Image | Part No | Mfg | Description | ![]() |
Pricing (USD) |
Quantity | ||||
|---|---|---|---|---|---|---|---|---|---|---|
![]() |
![]() MIG50Q7CSA0X |
![]() Other |
![]() |
![]() Data Sheet |
![]() Negotiable |
|
||||
| Image | Part No | Mfg | Description | ![]() |
Pricing (USD) |
Quantity | ||||
![]() |
![]() MIG50J101H |
![]() Other |
![]() |
![]() Data Sheet |
![]() Negotiable |
|
||||
![]() |
![]() MIG50J201H |
![]() Other |
![]() |
![]() Data Sheet |
![]() Negotiable |
|
||||
![]() |
![]() MIG50J201HC |
![]() Other |
![]() |
![]() Data Sheet |
![]() Negotiable |
|
||||
![]() |
![]() MIG50J6CSB1W |
![]() Other |
![]() |
![]() Data Sheet |
![]() Negotiable |
|
||||
![]() |
![]() MIG50J7CSB1W |
![]() Other |
![]() |
![]() Data Sheet |
![]() Negotiable |
|
||||
![]() |
![]() MIG50J806H |
![]() Other |
![]() |
![]() Data Sheet |
![]() Negotiable |
|
||||
(China (Mainland))









