Product Summary
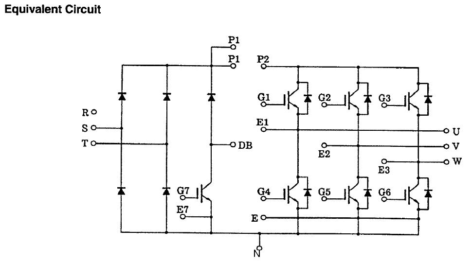
The MIG20J952H is an integrated GTR module. The device is suitable for high power switching applications.
Parametrics
MIG20J952H absolute maximum ratings: (1)inverter, collector-emitter voltage, VCES: 600V; gate-emitter voltage, VGES: ±20V; collector current, DC, IC: 20A, 1ms, ICP: 40A; forward current, DC, IF: 20A, 1ms, IFM: 40A; collector power dissipation (TC=25℃), PC: 80W; (2)converter, repetitive peak reverse voltage, RRM: 800V; average output recitified current, IO: 30A; peak one cycle surge forward current (50Hz, non-repetitive), IFSM: 400A; (3)brake, IGBT, collector-emitter voltage, VCES: 600V; gate-emitter voltage, VGES: ±20V; collector current, DC, IC: 15A, 1ms, ICP: 30A; collector power dissipation (Tc=25℃), PC: 65W; FRD, repetitive peak reverse voltage, VRRM: 600V; forward current, DC, IF: 15A, 1ms, IFM: 30A; (4)module, junction temperature, Tj: 150℃; storage temperature range, Tstg: -40 to 125℃; isolation voltage, Visol: 2500V(AC 1 minute); screw torque: 3Nm.
Features
MIG20J952H features: (1)integrates inverter, converter and brake power circuits in one package; (2)output (inverter stage): 3Φ20A/600V high speed type IGBT, VCE(sat)=4.00V max, tf=0.30μs max, trr=0.15μs max; (3)input (converter stage): 1Φ30A/800V silicon rectifier, VF=1.2V max; (4)brake stage: 15A/600V IGBT & 15A/600V FRD; (5)the electrodes are isolated from case.
Diagrams

![]() |
![]() MIG200Q2CSB1X |
![]() |
![]() IPM MOD CMPCT DUAL 1200V 200A |
![]() Data Sheet |
![]() Negotiable |
|
||||
![]() |
![]() MIG20J106LA |
![]() Other |
![]() |
![]() Data Sheet |
![]() Negotiable |
|
||||
![]() |
![]() MIG25Q806H |
![]() Other |
![]() |
![]() Data Sheet |
![]() Negotiable |
|
||||
![]() |
![]() MIG20J106L |
![]() Other |
![]() |
![]() Data Sheet |
![]() Negotiable |
|
||||
![]() |
![]() MIG200Q2CSA0X |
![]() Other |
![]() |
![]() Data Sheet |
![]() Negotiable |
|
||||
![]() |
![]() MIG200J6CMB1W |
![]() Other |
![]() |
![]() Data Sheet |
![]() Negotiable |
|
||||
(China (Mainland))








