Product Summary
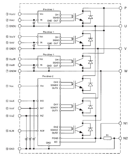
The 6MBP150RTC060-01 is an IGBT module. The applications of the 6MBP150RTC060-01 are inverter for motor drive, AC and DC servo drive amplifier, UPS (Uninterruptible power supply).
Parametrics
6MBP150RTC060-01 absolute maximum ratings: (1)DC Bus Voltage VDC: 0 to 450 V; (2)DC Bus Voltage (surge) VbC(SURGE): 0 to 500 V; (3)DC Bus Voltage (short operating) Vsc: 400 V; (4)Co lector-Emitter Voltage VCES: 0 to 600 V; (5)Collector Current DC Ic: 20 A; (6)Collector Current 1 mS Icp: 40 A; (7)Collector Current Duty=49.6% -Ic: 20 A; (8)Collector Power Dissipation One Transistor Pc: 63 W; (9)Junction Temperature Tj: 150 ℃; (10)Input Voltage of Power Supply for Pre-Driver: Vcc: -3 to 20 V; (11)Input Signal Voltage Vin: 0 to Vz V; (12)Input Signal Current lin: 1 mA.
Features
6MBP150RTC060-01 features: (1)Low power loss and soft switching; (2)High performance and high reliability IGBT with overheating protection; (3)Higher reliability because of a big decrease in number of parts in built-in control circuit.
Diagrams

![]() |
![]() 6MBP 150RA-060 |
![]() Other |
![]() |
![]() Data Sheet |
![]() Negotiable |
|
||||
![]() |
![]() 6MBP 15RH-060 |
![]() Other |
![]() |
![]() Data Sheet |
![]() Negotiable |
|
||||
![]() |
![]() 6MBP 75RA-120 |
![]() Other |
![]() |
![]() Data Sheet |
![]() Negotiable |
|
||||
![]() |
![]() 6MBP100RTA-060 |
![]() Other |
![]() |
![]() Data Sheet |
![]() Negotiable |
|
||||
![]() |
![]() 6MBP100RTB060 |
![]() Other |
![]() |
![]() Data Sheet |
![]() Negotiable |
|
||||
![]() |
![]() 6MBP150RA120 |
![]() Other |
![]() |
![]() Data Sheet |
![]() Negotiable |
|
||||
(China (Mainland))








