Product Summary
The PM50RSA060 is an intelligent power module. The applications of the device are Inverters, UPS, Motion/Servo Control and Power Supplies.
Parametrics
PM50RSA060 absolute maximum ratings: (1)Power Device Junction Temperature Tj: -40 to 125℃; (2)Storage Temperature Tstg: -40 to 125℃; (3)Case Operating Temperature TC: -20 to 100℃; (4)Mounting Torque, M5 Mounting Screws: 1.47 ~ 1.96 Nm; (5)Mounting Torque, M5 Main Terminal Screw: 1.47 ~ 1.96 Nm; (6)Module Weight (Typical): 550 Grams; (7)Supply Voltage Protected by OC and SC (VD = 13.5 - 16.5V, Inverter Part, Tj = 125℃) VCC(prot.): 400 Volts; (8)Isolation Voltage (Main Terminal to Baseplate, AC 1 min.) Viso: 2500 Vrms.
Features
PM50RSA060 features: (1)Complete Output Power Circuit; (2)Gate Drive Circuit; (3)Protection Logic: Short Circuit; Over Current; Over Temperature; Under Voltage.
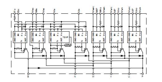
Diagrams

| Image | Part No | Mfg | Description | ![]() |
Pricing (USD) |
Quantity | ||||||||||||
|---|---|---|---|---|---|---|---|---|---|---|---|---|---|---|---|---|---|---|
![]() |
![]() PM50RSA060 |
![]() |
![]() MOD IPM 7PAC 600V 50A |
![]() Data Sheet |
![]()
|
|
||||||||||||
| Image | Part No | Mfg | Description | ![]() |
Pricing (USD) |
Quantity | ||||||||||||
![]() |
![]() PM500 |
![]() Other |
![]() |
![]() Data Sheet |
![]() Negotiable |
|
||||||||||||
![]() |
![]() PM50100K |
![]() Other |
![]() |
![]() Data Sheet |
![]() Negotiable |
|
||||||||||||
![]() |
![]() PM50150 |
![]() Other |
![]() |
![]() Data Sheet |
![]() Negotiable |
|
||||||||||||
![]() |
![]() PM5022-100M |
![]() Bourns |
![]() Power Inductors 10uH 20% |
![]() Data Sheet |
![]() Negotiable |
|
||||||||||||
![]() |
![]() PM5022-100M-RC |
![]() J.W. Miller |
![]() Power Inductors 10uH 20% |
![]() Data Sheet |
![]()
|
|
||||||||||||
![]() |
![]() PM5022-101K-RC |
![]() Bourns |
![]() Power Inductors Pwr Inductor, Non-Shielded |
![]() Data Sheet |
![]() Negotiable |
|
||||||||||||
(China (Mainland))










