Product Summary
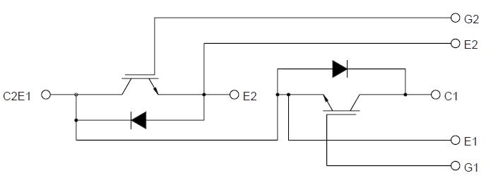
The CM200DY-24H is an IGBT Module. The device is designed for use in switching applications. The CM200DY-24H consists of two IGBTs in a half-bridge configuration with each transistor having a reverse-connected super-fast recovery free-wheel diode. All components and interconnects are isolated from the heat sinking baseplate, offering simplified system assembly and thermal management. The applications of the CM200DY-24H include AC Motor Control, Motion/Servo Control, UPS and Welding Power Supplies.
Parametrics
CM200DY-24H absolute maximum ratings: (1)Junction Temperature, Tj: –40 to 150℃; (2)Storage Temperature, Tstg: –40 to 125℃; (3)Collector-Emitter Voltage (G-E SHORT), VCES: 1200 Volts; (4)Gate-Emitter Voltage (C-E SHORT), VGES: ±20 Volts; (5)Collector Current (TC = 25℃), IC: 200 Amperes; (6)Peak Collector Current, ICM: 400 Amperes; (7)Emitter Current (TC = 25℃), IE: 200 Amperes; (8)Peak Emitter Current, IEM: 400 Amperes; (9)Maximum Collector Dissipation (TC = 25℃, Tj ≤ 150℃), Pc: 1500Watts; (10)Mounting Torque, M6 Main Terminal: – 1.96 ~ 2.94 Nm; (11)Mounting Torque, M6 Mounting: – 1.96 ~ 2.94 Nm; (12)Weight: – 400 Grams; (13)Isolation Voltage (Main Terminal to Baseplate, AC 1 min.), Viso: 2500 Vrms.
Features
CM200DY-24H features: (1)Low Drive Power; (2)Low VCE(sat); (3)Discrete Super-Fast Recovery Free-Wheel Diode; (4)High Frequency Operation; (5)Isolated Baseplate for Easy Heat Sinking.
Diagrams

| Image | Part No | Mfg | Description |  | Pricing (USD) | Quantity | ||||||||||||
|---|---|---|---|---|---|---|---|---|---|---|---|---|---|---|---|---|---|---|
|  |  CM200DY-24H |  |  IGBT MOD DUAL 1200V 200A H SER |  Data Sheet |  Negotiable |  | ||||||||||||
| Image | Part No | Mfg | Description |  | Pricing (USD) | Quantity | ||||||||||||
|  |  CM2006 |  Other |  |  Data Sheet |  Negotiable |  | ||||||||||||
|  |  CM2006-02QR |  ON Semiconductor |  Video ICs VGA Port Monitor |  Data Sheet |  
 |  | ||||||||||||
|  |  CM2009 |  Other |  |  Data Sheet |  Negotiable |  | ||||||||||||
|  |  CM2009-00QR |  ON Semiconductor |  Video ICs VGA Port Circuit 55 Ohm |  Data Sheet |  
 |  | ||||||||||||
|  |  CM2009-02QR |  ON Semiconductor |  Video ICs VGA Port Circuit 15 Ohm |  Data Sheet |  
 |  | ||||||||||||
|  |  CM200C-32.768KAZF-UT |  Citizen |  Crystals 32.768K 30ppm 12.5pF |  Data Sheet |  
 |  | ||||||||||||
 (China (Mainland))
 (China (Mainland)) 
                         
                        
 
                                    




