Product Summary
The 6MBP15RA120 is an IGBT module.
Parametrics
6MBP15RA120 absolute maximum ratings: (1)Supply Voltage of Pre-Driver, Vcc: -0.5 to 20 V; (2)Input Signal Voltage, Vin: -0.5 to Vcc+0.5 V; (3)Input Signal Current, Iin: - 1 mA; (4)Alarm Signal Voltage, VALM: -0.5 to Vcc V; (5)Alarm Signal Current, ALM: - 20 mA; (6)Junction Temperature, Tj: - 150℃; (7)Operating Case Temperature, Topr: -20 to 100℃; (8)Storage Temperature, Tstg: -40 to 125℃; (9)Solder Temperature, Tsol: 260℃; (10)Isolating Voltage, Viso: AC2500V.
Features
6MBP15RA120 fetures: (1)Collector Current at off signal input, ICES: 1.0mA; (2)Collector-Emitter saturation voltage, VCE(sat): 2.8V; (3)Forward voltage of FWD, VF: 3.1V; (4)Reverse recovery time, trr: 0.3us.
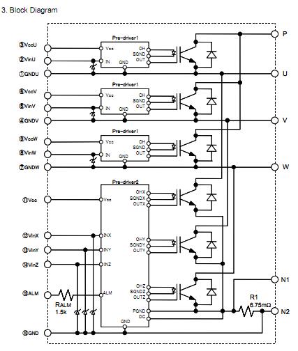
Diagrams

![]() |
![]() 6MBP 150RA-060 |
![]() Other |
![]() |
![]() Data Sheet |
![]() Negotiable |
|
||||
![]() |
![]() 6MBP 15RH-060 |
![]() Other |
![]() |
![]() Data Sheet |
![]() Negotiable |
|
||||
![]() |
![]() 6MBP 75RA-120 |
![]() Other |
![]() |
![]() Data Sheet |
![]() Negotiable |
|
||||
![]() |
![]() 6MBP100RTA-060 |
![]() Other |
![]() |
![]() Data Sheet |
![]() Negotiable |
|
||||
![]() |
![]() 6MBP100RTB060 |
![]() Other |
![]() |
![]() Data Sheet |
![]() Negotiable |
|
||||
![]() |
![]() 6MBP150RA120 |
![]() Other |
![]() |
![]() Data Sheet |
![]() Negotiable |
|
||||
(China (Mainland))








