Product Summary
Typiacal applications:DC motor control(e.g. for machine tools);
temperature control(e.g. for ovens ,chemical processes);
Professinal light dimming(studios, theaters)
Parametrics
SEMIKRON MODULE:SKIIP31NAB12T11
Features
SEMIKRON MODULE:SKIIP31NAB12T11
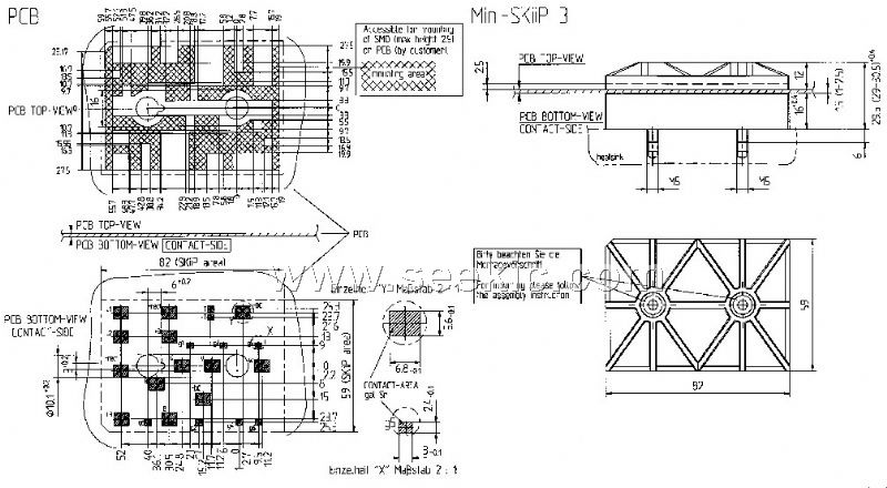
Diagrams

(China (Mainland))






