Product Summary
The electrodes are Isolated from Case.
Integrates inverter,brake power circuits & control circuits
(IGBT drive units,protection units for over-current,under-voltage &
over-temperature)。
Parametrics
TOSHIBA MODULE:MIG100J101H
Features
TOSHIBA MODULE:MIG100J101H
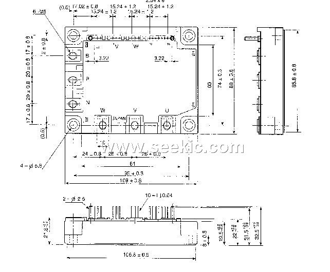
Diagrams

(China (Mainland))






