Product Summary
typical applications: AC motor control, motion/ servo control, power supply, etc.
Parametrics
MITSUBISHI MODULE:CM100DY-24H
Features
MITSUBISHI MODULE:CM100DY-24H
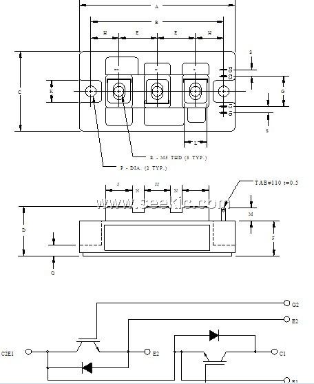
Diagrams

(China (Mainland))






